Chronicle of Icb Flora O Block

Icb Flora O Block rera registered project is located at Gota, Ahmedabad. at Gota, Ahmedabad. Icb Flora O Block project is being developed by Ishwarcharan Builders Pvt. Ltd.. Rera number of Icb Flora O Block project is PR/GJ/AHMEDABAD/AHMADABAD CITY/AUDA/MAA00061/EX2/280120. As per rera registration Icb Flora O Block project is started on date 2015-12-23 and planned to complete on or before date 2021-06-30.
Icb Flora O Block project is providing amenities like Lift.

Project Summery of Icb Flora O Block

Social Media
Rera No

PR/GJ/AHMEDABAD/AHMADABAD CITY/AUDA/MAA00061/EX2/280120

Unit Details of Icb Flora O Block

Type Carpet Area (sqft)
O 229 - 999

3D Elevation

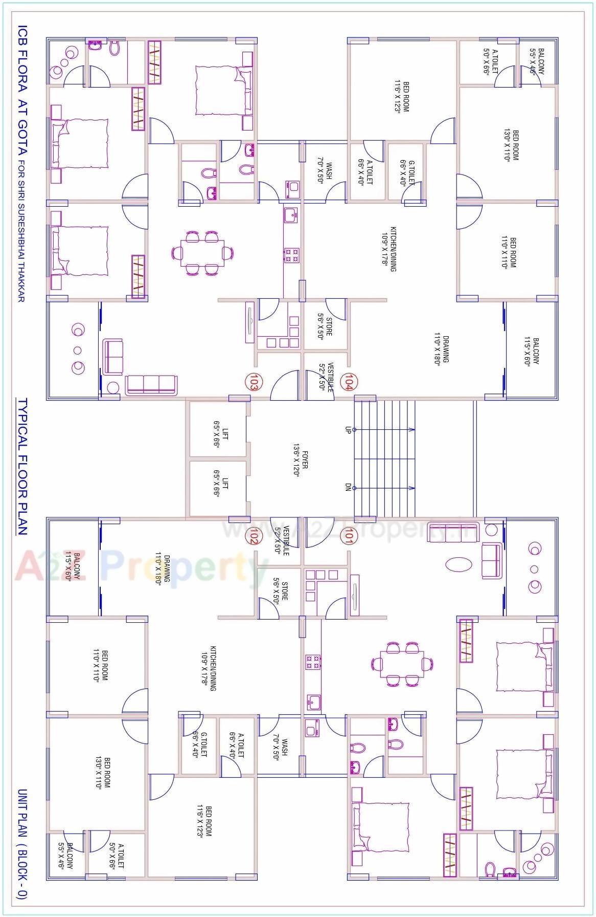
Layout Plan

Amenities of Icb Flora O Block

* Actual amenities may vary with displayed information.

Lift

E-Brochure

Current Construction Photos

Map Location of Icb Flora O Block

Project Details

Address

Icb Flora O Block

Behind Vodafone Tower, Gota Cross Road

Email

icbpl@yahoo.com

Share on
Promoters

Ishwarcharan Builders Pvt. Ltd.

Rera No

PR/GJ/AHMEDABAD/AHMADABAD CITY/AUDA/MAA00061/EX2/280120

Start Date

2015-12-23

End Date

2021-06-30

Area of Project

2,356

District

Ahmedabad

State

Gujarat

Project Type

Mixed Development

Architect

HARESH A SHAH

Structure

PARAG M SHAH

Disclaimer

The details displayed here are for informational purposes only. Information of real estate projects like details, floor area, location are taken from multiple sources on best effort basis. Nothing shall be deemed to constitute legal advice, marketing, offer, invitation, acquire by any entity. We advice you to visit the RERA website before taking any decision based on the contents displayed on this website.

Projects in gota

Projects in Ahmedabad