Chronicle of Vrajvan

Vrajvan rera registered project is located at Zanzarda, Junagadh. at Zanzarda, Junagadh. Vrajvan project is being developed by . Rera number of Vrajvan project is PR/GJ/JUNAGADH/JUNAGADH/Junagadh Municipal Corporation/RN311AA10211/270223. As per rera registration Vrajvan project is started on date 2021-12-22 and planned to complete on or before date 2025-12-31.
Brochure of Vrajvan project is available for download.

Project Summery of Vrajvan

Social Media
Rera No

PR/GJ/JUNAGADH/JUNAGADH/Junagadh Municipal Corporation/RN311AA10211/270223

Unit Details of Vrajvan

Type Carpet Area (sqft)
1

3D Elevation

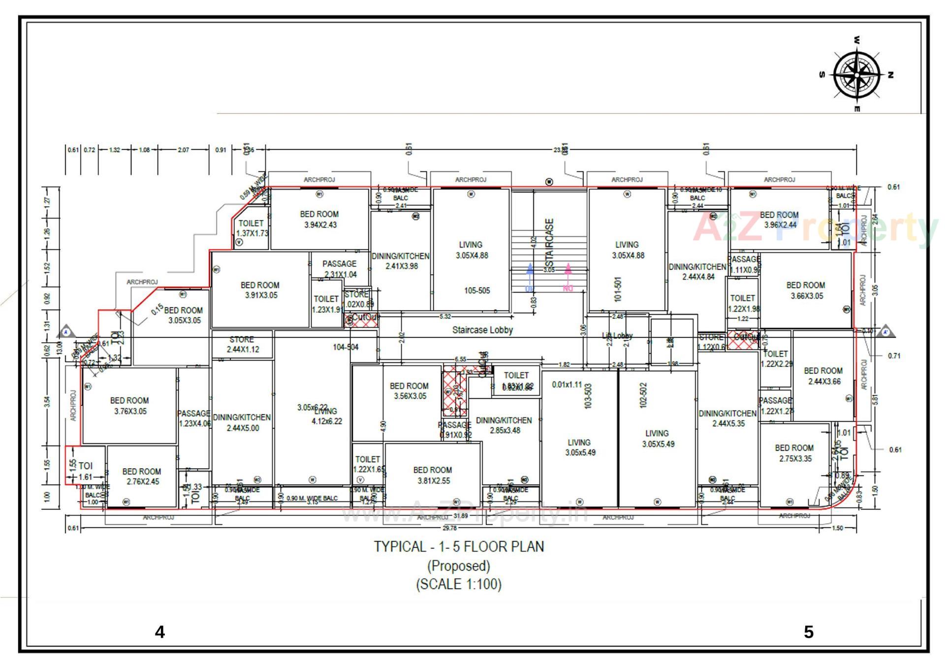
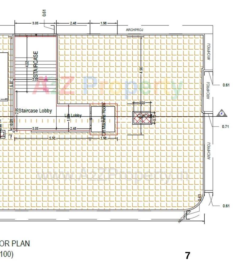
Layout Plan

E-Brochure

Map Location of Vrajvan

Keyplan

Keyplan

Project Details

Address

Vrajvan

Shrinathji Park,

Email

vrajvan01@gmail.com

Share on
Promoters

Rera No

PR/GJ/JUNAGADH/JUNAGADH/Junagadh Municipal Corporation/RN311AA10211/270223

Start Date

2021-12-22

End Date

2025-12-31

District

Junagadh

State

Gujarat

Project Type

Residential/Group Housing

Architect

Divyesh Girishbhai Khokhara

Structure

CHETANBHAI BHAGVANJIBHAI SAYANI

Disclaimer

The details displayed here are for informational purposes only. Information of real estate projects like details, floor area, location are taken from multiple sources on best effort basis. Nothing shall be deemed to constitute legal advice, marketing, offer, invitation, acquire by any entity. We advice you to visit the RERA website before taking any decision based on the contents displayed on this website.

Projects in Zanzarda

Projects in Junagadh