Chronicle of Avkash

Avkash rera registered project is located at Dabholi, Surat. at Dabholi, Surat. Avkash project is being developed by . Rera number of Avkash project is PR/GJ/SURAT/KAMREJ/SUDA/RAA11735/080523. As per rera registration Avkash project is started on date 2023-02-27 and planned to complete on or before date 2026-12-31.
Brochure of Avkash project is available for download.

Project Summery of Avkash

Social Media
Contact

+91 9825974683

Rera No

PR/GJ/SURAT/KAMREJ/SUDA/RAA11735/080523

Unit Details of Avkash

Type Carpet Area (sqft)
A

3D Elevation

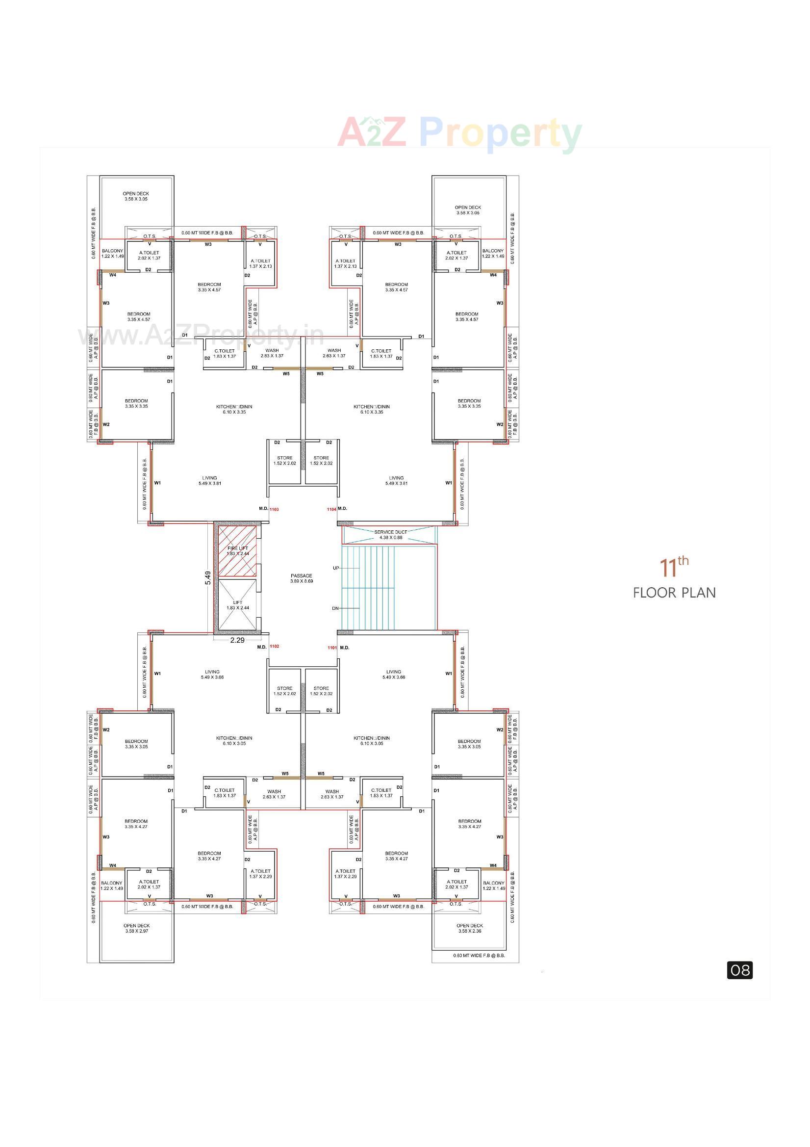
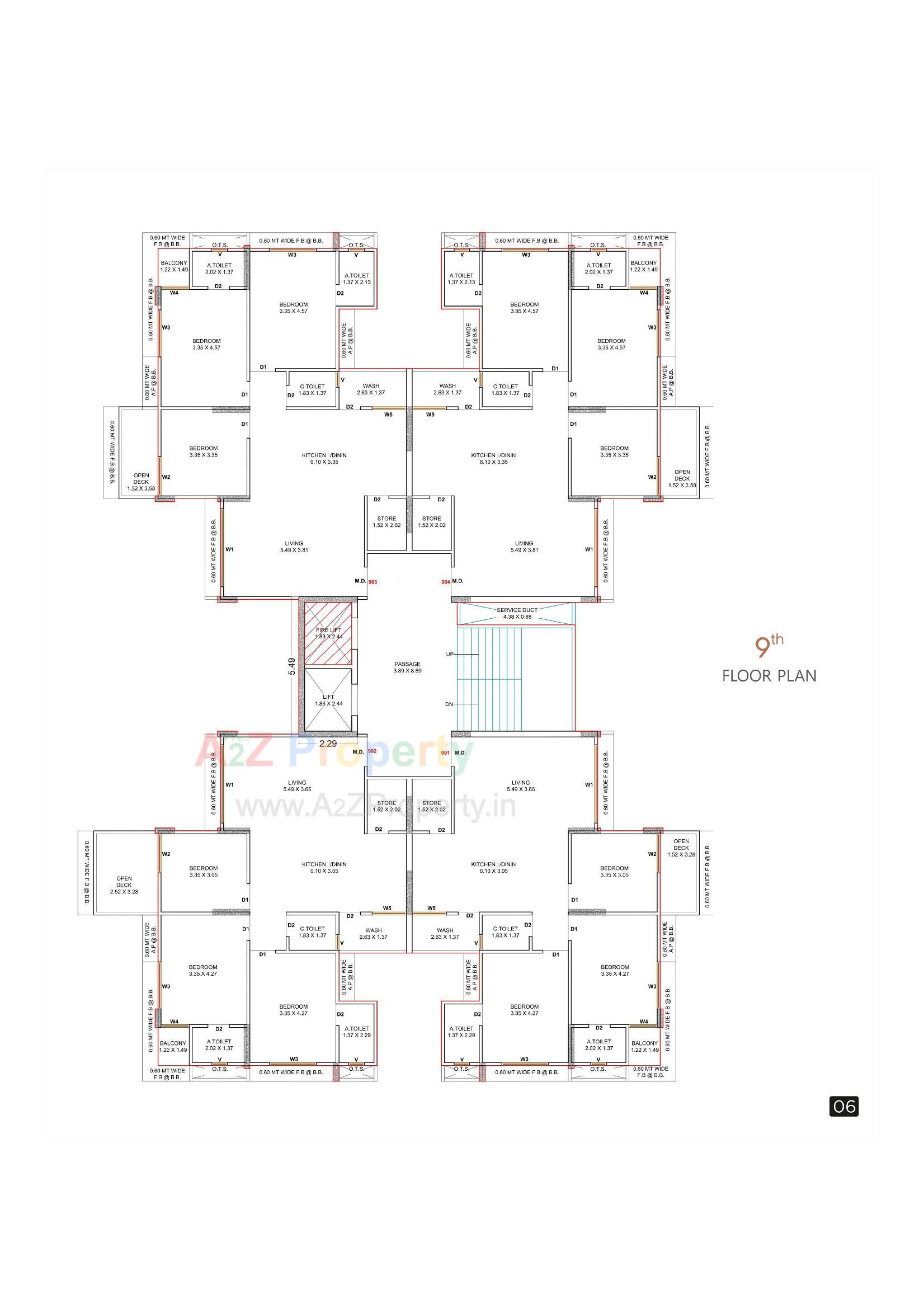
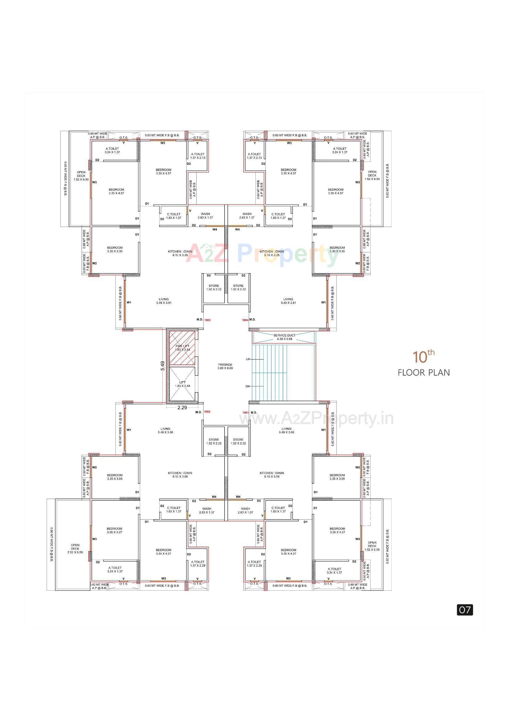
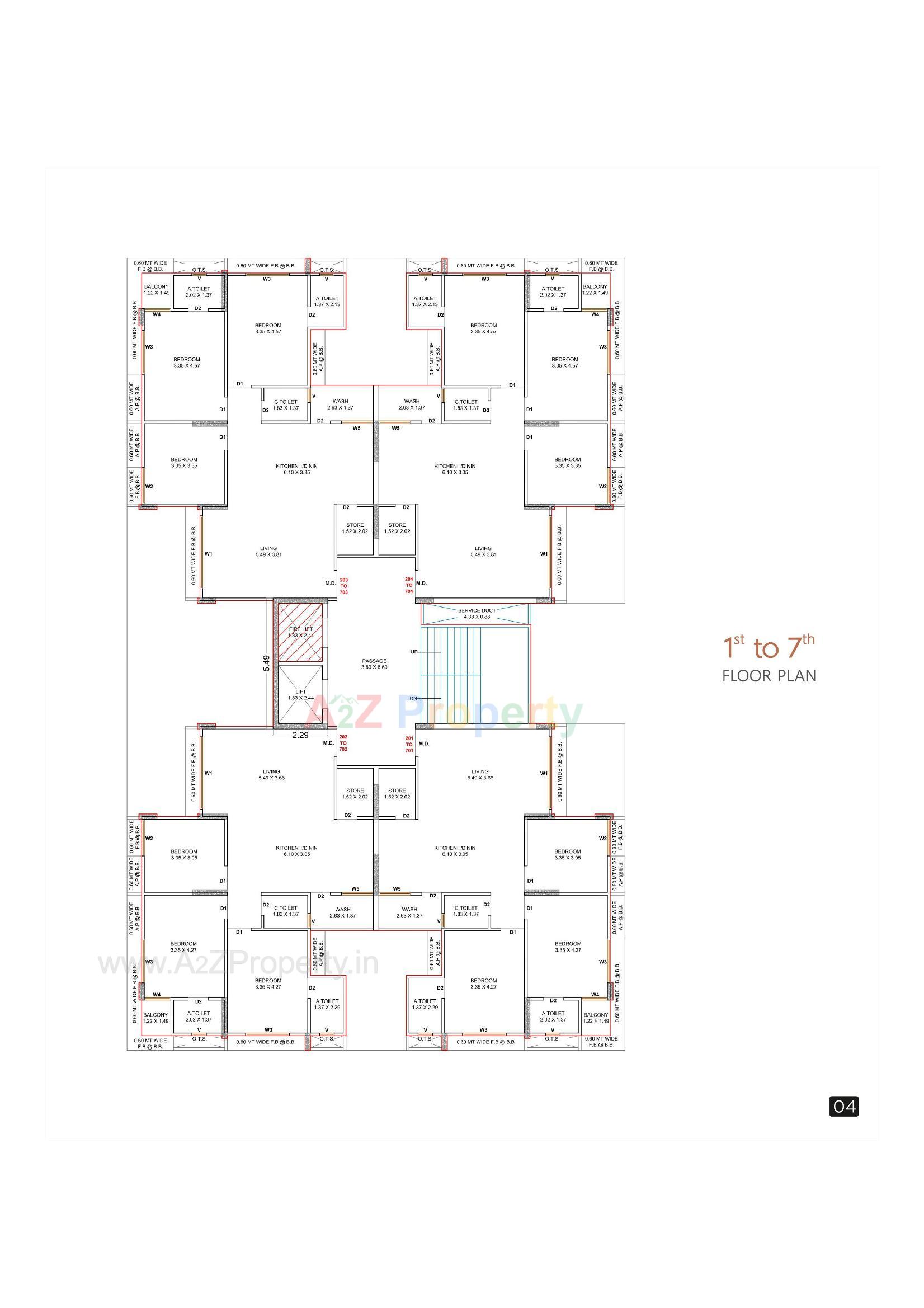
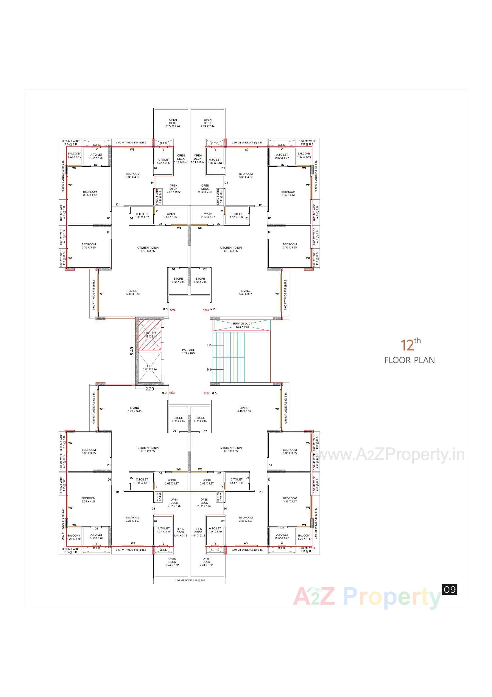
Layout Plan

E-Brochure

Map Location of Avkash

Keyplan

Keyplan

Project Details

Address

Avkash

F.p No 58, T.p.s No 51block/survey No 50/2/1(dabholi) O.p. No 58-(59-60) 1

Contact

+91 9825974683

Email

avkashp2@gmail.com

Share on
Promoters

Rera No

PR/GJ/SURAT/KAMREJ/SUDA/RAA11735/080523

Start Date

2023-02-27

End Date

2026-12-31

Area of Project

2,100

District

Surat

State

Gujarat

Project Type

Residential/Group Housing

Architect

CHIRAG KEVADIYA

Disclaimer

The details displayed here are for informational purposes only. Information of real estate projects like details, floor area, location are taken from multiple sources on best effort basis. Nothing shall be deemed to constitute legal advice, marketing, offer, invitation, acquire by any entity. We advice you to visit the RERA website before taking any decision based on the contents displayed on this website.

Projects in dabholi

Projects in Surat